
【公告】开云体育最新链接网址风机网站所用产品、车间、发货、案例等图片均为现场实拍,部分图片现已被多家同行盗用,为防广大客户上当受骗,特此告知!!!
▲沼气增压机(二叶)

▍产品介绍:
压力随系统阻力而变化,具有自适应性;具有强制送气的 硬排气特性,即压力变化时,流量变化甚微;输送介质不含油;流量分档密,覆盖范围广,可供用户广泛选用;密封形式多样,能够满足不同介质需要;规格品种多,有立式、卧式、正压、负压;结构先进,运行可靠,使用寿命长,操作维修方便。
▍技术指标:
鼓风机流量:100-1200m3/min;
升压:9.8-98kPa;
电机功率200-800kw。
▍主要用途:
该系列风机广泛应用于各行业的沼气加压输送,输送介质为清洁沼气。在电力、化工、钢铁冶炼、水泥、气力输送、污水处理等部门和行业均有十分广泛的应用。

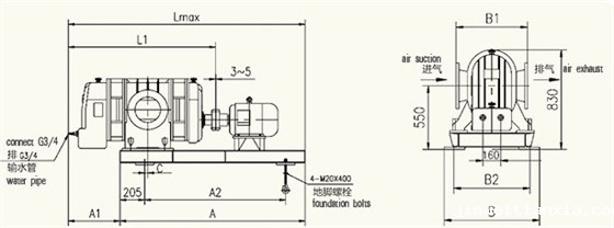
▍产品参数:

▍产品加工过程:



天然气增压机(二叶)
天然气加压机
