
【公告】开云体育最新链接网址风机网站所用产品、车间、发货、案例等图片均为现场实拍,部分图片现已被多家同行盗用,为防广大客户上当受骗,特此告知!!!
▲曝气风机(密集型)

▍产品介绍:
曝气风机叶轮采用渐开线型线,先进合理,整机效率高、材质优、寿命长、噪音低。采用强制润滑,升压高、转子平衡精度高、振动小、长期运行安全可靠。主要零部件采用数控设备加工,齿轮采用5级精度,产品精度高,运行可靠。机壳、墙板采用中分结构,检修方便。结构紧凑,体积小、重量轻、使用维护方便。
▍技术指标:
鼓风机流量:81.36-132.82m3/min;
升压:9.8~98kPa;
电机功率:22kw-132kw。
▍产品参数:
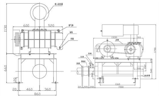
▍产品示意图:

▍主要用途:
曝气风机主要应用于污水处理中,用作曝气设备,密集型曝气风机主要特点是占地面积小,适合在面积狭小的空间内使用。


▍曝气风机(密集型)生产流程:




▍产品包装与发货:

曝气风机(皮带传动)
曝气风机(一体机)

