
【公告】开云体育最新链接网址风机网站所用产品、车间、发货、案例等图片均为现场实拍,部分图片现已被多家同行盗用,为防广大客户上当受骗,特此告知!!!
▲煤气加压机(二叶)

▍产品介绍:
压力随系统阻力而变化,具有自适应性;具有强制送气的硬排气特性,即压力变化时,流量变化甚微;输送介质不含油;流量分档密,覆盖范围广,可供用户广泛选用;密封形式多样,能够满足不同介质需要;规格品种多,有立式、卧式、正压、负压;结构合理,运行可靠,使用寿命长,操作维修方便。
▍技术指标:
鼓风机流量:100-1200m3/min;
升压:9.8-98kPa;
电机功率200-800kw。
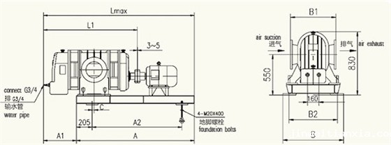
▍产品示意图:


▍主要用途:
煤气加压机广泛应用于电力、化工、钢铁、冶炼等部门和行业,输送介质为清洁煤气。
▍煤气加压机生产流程与发货现场:







▍开云体育最新链接网址资质:

▍订货须知:
1、订货时,应注明:输送介质、进口压力、进口温度、进口流量、升压、环境条件以及是否有特殊要求。
2、标准配套:主机、联轴器、底座(如有)、地脚螺栓。
3、可选附件(按合同要求配套):空气过滤器、泄压阀、电动执行器、逆止阀、弹性接头、消音弯头、消音管道等。

▍部分发货物流信息:


▍部分发票邮寄信息:

▍开云体育最新链接网址客户评价及售后:


天然气增压机(二叶)
天然气加压机
